Considering a desktop scanning electron microscope (SEM)? If so, it’s important to determine what type of electron source fits your needs since this the electron source you choose has a direct effect on the quality of your output.
The electron source—or cathode, filament, or electron gun—is one of the most important components of a desktop SEM. Its purpose is to provide a stable beam of electrons.
How a thermionic electron source works
The way a thermionic electron source works is this: The electron beam projected onto a sample is created by electrons emitted from the electron source at the anode inside the electron column, with lenses used to control the beam. When any solid material is heated, electrons are emitted by thermionic emission, and the emission becomes significant when the thermal energy of the electrons exceeds the “work function”—or the energy required to withdraw electrons from a given material. The electron source is made from a high melting point material with a relatively low work function required to emit many electrons.

Cross-section view of an electron column with a schematic view of the source assembly
Comparison of tungsten and CeB6 sources
With today’s SEMs, two types of thermionic electron sources are widely used: Tungsten and Cerium hexaboride (CeB6). The question is how do you choose between them?
Of all metals in pure form, Tungsten has the highest melting point, the lowest vapor pressure, the lowest thermal expansion, and a very high tensile strength, which are all ideal properties for making an electron source. Yet Tungsten has some fundamental disadvantages compared to a CeB6 electron source. Consider five ways in which the two electron sources differ:
- Brightness: The lower work function of a CeB6 filament results in higher beam currents at lower cathode temperatures than Tungsten, which means greater brightness at all acceleration voltages. Specifically, a CeB6 cathode provides 10 times the brightnesscompared to Tungsten. This gives the CeB6 source two advantages over a Tungsten source. First, more current is available in the same focused spot, which means a better signal-to-noise ratio at the same spot size. Second, at the same signal-to-noise ratio, the CeB6 spot can be made smaller, which means that a better resolution can be achieved.
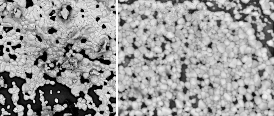
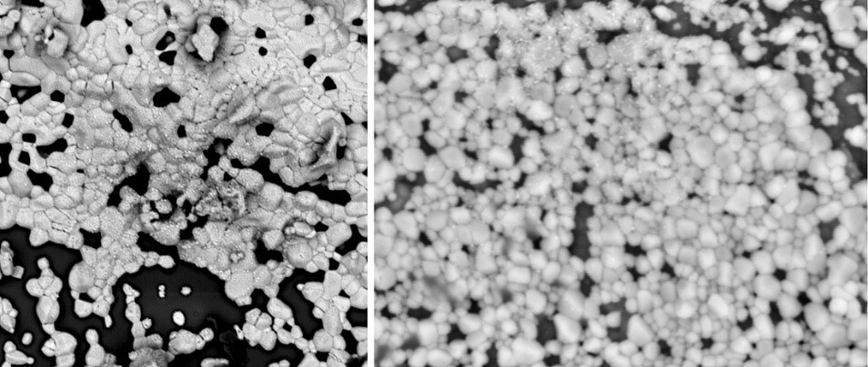
(Left) Image from titanium dioxide powder made with a CeB6 system. (Right) Image from the same powder made with Tungsten system.
- Electron source size: The source size is of Tungsten is elliptically shaped with a dimension ranging from 50 to 100 micrometers (µm), depending on the source configurations and operating conditions. Compared to a CeB6 source, which has a dimension of less than 25 µm, it means that considerable electron optic demagnification is required for a Tungsten source to achieve a small electron probe needed for good resolution in SEM.
- Electron source temperature: The operational temperature of the Tungsten filament lies around 2800 Kelvin, whereas the CeB6 source has an operational temperature of 1800 Kelvin. The difference in temperature has a direct effect on the source.
- Electron beam energy spread: The higher temperature setting of the Tungsten source causes a larger energy spread than a CeB6 source. Typically, the energy spread of a Tungsten source is about 2.5 electron volts (eV). By comparison, the energy spread of a CeB6 source is about 1 eV, resulting in better image quality—especially at lower acceleration voltages.
- Electron source lifetime: A CeB6 source typically provides more than 15 times the service life of a Tungsten source—or 1,500+ hours compared to about 100 hours. A Tungsten filament operates at white-hot temperatures, which thins the Tungsten wire and eventually breaks it during imaging. By contrast, a CeB6 source slowly degrades over time, allowing users to predict its failure and replace it between operating sessions. Another disadvantage of Tungsten is that the breaking of the wire sometime contaminates the upper part of the electron column, requiring these parts to be replaced or cleaned. With a CeB6 source, contamination of the column due to debris isn’t an issue.
For these reasons, we highly recommend a CeB6 electron source. In fact, the only drawback of CeB6 is that it’s more expensive than Tungsten. But when you consider the longer lifespan and the minimal risk of contamination, CeB6 is actually less expensive in the long run. And that makes the investment in a CeB6 electron source even more compelling.
To learn more about which electron source is best for your scanning electron microscopy needs, fill out this form to speak with an expert.
Erik Luyk is a marketing communications specialist at Thermo Fisher Scientific.
Subscribe now to receive Accelerating Microscopy updates straight to your inbox.





Leave a Reply