Steel surface finish inspection
The production of steel is a complex process including multiple steps, each of which affects the quality of the final product. One step in the process involves inspecting the steel surface finish to make sure it’s clean and smooth enough for a powder coating or other surface treatment to be applied.
If the surface is dirty, the coating material may not adhere properly. If the surface is too rough, the product may corrode more rapidly. Without the right surface finish, manufacturers risk applying low-quality coatings to their steel components, which can negatively affect both their reputation and profits.
Characterizing the roughness and cleanliness of steel surface finishes
While optical microscopes can be used to inspect the surfaces of finished steel products, they can’t determine the elemental composition of the steel surface, and thus determine the nature and source of any contaminants.
A desktop scanning electron microscope (SEM) however has superior imaging capabilities. In addition, by using the technique ‘shape by shading’, our 3D roughness reconstruction software can be used to qualitatively assess the roughness of a surface. These roughness measurements can ultimately be used to compare different surface preparation methods.
Apart from being used to acquire impressive images with high resolution, an SEM can also be used to perform energy dispersive X-ray spectroscopy (EDS) analysis. This enables steel manufacturers to chemically characterize contaminants, in order to determine the source of the contamination.
Ensuring the quality of steel products
One of our manufacturing customers use our Thermo Scientific Phenom XL G2 Desktop SEM to ensure the quality of their products. Since the Phenom XL G2 integrates SEM imaging, 3D roughness reconstruction software, and EDS analysis into a single product, our customer can get the results they need quickly and easily.
To improve the quality of their steel surfaces, our customer wanted to compare the impact of different finishing treatments on the roughness and cleanliness of the surface of steel plates.
Close up of untreated steel sample, imaged with SEM.
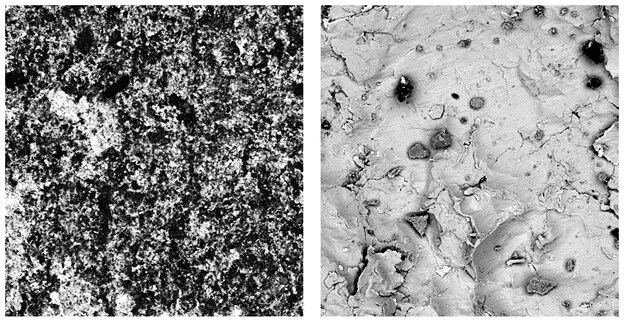
As the above image shows, untreated steel is full of contamination. Sandblasting clearly removes a lot of contamination, as can be seen from below image where the untreated surface is dark on the backscattered electron (BSE) image (left), but the sandblasted surface is bright (right).
Sandblasting a steel plate (right) made the surface noticeably smoother than the untreated plate (left).
In addition, the surface was sanded, which greatly reduced the surface roughness, which could be demonstrated using 3D roughness reconstruction.
Using integrated 3D roughness reconstruction software, it was possible to validate the decrease in surface roughness when sandpaper was used on the steel sheet.
Employing our 3D reconstruction software, which is integrated into the Phenom XL G2, our customer was able to measure the roughness of each steel plate. They noticed however that foreign particles seemed to have become trapped inside cracks on the surface, and they wanted to know where these particles came from. EDS analysis indicated the presence of aluminum and oxygen, which is found in sandpaper, suggesting that these particles may have been introduced during the sanding process.
EDX analysis found that the new particles present on the steel surface contained aluminum and oxygen: the primary constituents of sandpaper.
Evaluating steel surface treatment methods
By combining SEM imaging, 3D roughness reconstruction, and EDS using our Phenom XL G2, steel manufacturers can quickly and accurately determine which surface treatments of steel create the cleanest and smoothest finishes. With this information, they can apply durable coatings that are less prone to rust and corrosion, improving the quality of the final steel products they produce.
To learn more, please see our Thermo Scientific Phenom XL G2 SEM webpage. Also, view our video on how EDS works to learn more.
Willem van Zyl is an application engineer at Thermo Fisher Scientific.




Leave a Reply